


|
BMW 7er, Modell E32 |
 |
|
|
Varianten |
|
|
|
Detail-Infos |
|
|
|
Interaktiv |
|
|

- Anzeige -
|
 |

|
|
|
|

|
 |
|
29.06.2005, 17:58
|
#21
|
|
über 20 Jahre dabei…
Registriert seit: 19.11.2002
Ort: Achim
Fahrzeug: E65 730d 2004, E66 760 Li 2003, Porsche Cayenne S 4.8 2007, MB SL 500 2003
|
Neue Beobachtungen
Habe mal ein bischen rumgetestet. Letzte nacht und heute am Tag.
Kann es sein, das die lange Düse links an der Windschutzscheibe auch abhängig von der Außentermperatur temperiert wird?
Bei Fahrtantritt grundsätzlich kalte Luft.
Außentemp ist unter 14 Grad, Temperatur mal so auf 24 Grad eingestellt, Düse wird warm, wieder runtergedreht, Düse BLEIBT warm.
Wenn Außentemp über 14 Grad, dann läßt sich die Düse auch wieder zurück auf kalt drehen.
Wenn Außentemp über 25 Grad, dann überhaupt keine warme Luft aus der Düse, nur kühl bis kalt.
Alle Tests mit Klimastellung auf AUTO.
Markus
|
|
|
04.07.2005, 10:24
|
#22
|
|
Erfahrenes Mitglied
Registriert seit: 31.12.2004
Ort: Zürich
Fahrzeug: Züri-Tram
|
Wasserpumpe
Bei der Variante mit Klimaautomatik - so glaube ich jedenfalls - ist doch noch die Wasserpumpe vorhanden. Wann bekommt diese Strom?
Am Samstag Heizungsventile (1. Sorte - Ventile selbst auswechselbar)
ausgebaut, und Spannung auf Pin gelegt. Siehe da zirren vor sich hin.
Plastik hat sich gelöst, daher "neue" auf E*** ersteigert. Sind aber
2. Sorte, denke passt auch hinein.
Holger-ZX12: Kannst Du ein grösseres Foto posten oder zusenden, und ein
kleine Beschreibung, wo Du den Strom abgreifst. Sollte über die Zündung
ein/ausgeschaltet werden.
Liegt aber Dauerplus, nicht von der Steuereinheit gesteuert, dann ist
doch die Heizung dauernd ausgeschaltet, man kann sie nicht mehr einschalten, oder?
Könnte ich auch als Übergangslösung, die Zuführung (Schlauch)
irgendwie abklemmen. Zur Zeit brauche ich ja keine Heizung.
Geändert von principe_di_sa (04.07.2005 um 11:33 Uhr).
|
|
|
04.07.2005, 12:48
|
#23
|
|
† August 2007
Registriert seit: 09.02.2003
Ort: Eggenfelden
Fahrzeug: 750iL Bj 04.91 +T+SH
|
principe_di_sa
Bei der Variante mit Klimaautomatik - so glaube ich jedenfalls - ist doch noch die Wasserpumpe vorhanden (Nicht nur) . Wann bekommt diese Strom? Sobald Zündung ein ist.
Liegt aber Dauerplus, nicht von der Steuereinheit gesteuert, dann ist
doch die Heizung dauernd ausgeschaltet, man kann sie nicht mehr einschalten, oder? Nein, DauerPlus schaltet die Heizung aus, keine Spannung- volle Heizung
Könnte ich auch als Übergangslösung, die Zuführung (Schlauch)
irgendwie abklemmen. Zur Zeit brauche ich ja keine Heizung.
Ventile bekommen Spannung von Sicherung 20 (7,5A) über den Schalter vom Fahrer temp.regler. Kannst von der Sicherung ein Kabel direkt auf das Kabel vom 3pol Stecker legen (Farbe RT/WS/GE)
Gruß Reinhard
|
|
|
04.07.2005, 13:06
|
#24
|
|
Erfahrenes Mitglied
Registriert seit: 31.12.2004
Ort: Zürich
Fahrzeug: Züri-Tram
|
Danke vorab.
D.h. bei ausgeschalteter Heizung müsste an der Sicherung 20
Strom anliegen, damit das Ventil/die Ventile schliesst/schliessen.
Liegt bei ausgeschalteter Heizung keine Spannung auf Sicherung 20,
liegt ein anderes Problem vor.
Meine Zusatzwasserpumpe macht keinen Wank. Werde diese
an eine 12V Quelle anschliessen -> Funktionstest. Hat jemand
die Belegung +/-
|
|
|
04.07.2005, 14:06
|
#25
|
|
† August 2007
Registriert seit: 09.02.2003
Ort: Eggenfelden
Fahrzeug: 750iL Bj 04.91 +T+SH
|
Zitat:
|
Zitat von principe_di_sa
Danke vorab.
D.h. bei ausgeschalteter Heizung müsste an der Sicherung 20
Strom anliegen, damit das Ventil/die Ventile schliesst/schliessen.
Liegt bei ausgeschalteter Heizung keine Spannung auf Sicherung 20,
liegt ein anderes Problem vor.
Meine Zusatzwasserpumpe macht keinen Wank. Werde diese
an eine 12V Quelle anschliessen -> Funktionstest. Hat jemand
die Belegung +/-
|
Hi, Nein, Sicherung 29 habe gerade gesehen dass im Plan ein Fehler ist, sicherung 20 (30) hat Dauerplus sollte Sich. 29 sein.
Sobald Zündung ein ist, muss Strom an 29 sein, leg mal zum Test eine Leitung von Sicherung 29 an den oberen der 3 Stifte, dann solten die Ventile auch wieder arbeiten. Wasserpumpe kommt auch von Sich. 29 vielleich sidt die Sicherung def. oder der Kontakt schlecht. Immer wo ein Braun die Hauptfarbe ist ist, ist Minus.
Gruß Reinhard
|
|
|
04.07.2005, 14:58
|
#26
|
|
Erfahrenes Mitglied
Registriert seit: 31.12.2004
Ort: Zürich
Fahrzeug: Züri-Tram
|
Danke
Werde ich ausprobieren.
Verstehe ich es richtig: Die Steuereinheit "unterbricht" die Erdung und
so schliessen/öffnen sich die Ventile. Daher ein (+) und zwei (-) für
die linke/rechte Seite.
Hängt an der Sicherung 29 "nur" die Ventile. Falls noch andere
Dinge daran hängen, müssten doch diese auch nicht funktionieren,
falls es die Sicherung wäre.
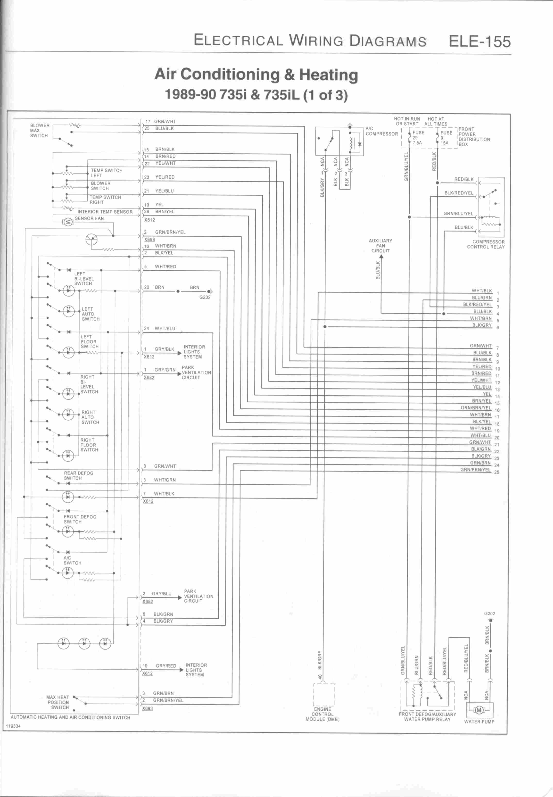
Im Diagramm unter Link
gibt es noch ein Front defog/Auxiliary water pump relay. Kann dieses auch defekt sein?
|
|
|
04.07.2005, 19:45
|
#27
|
|
† August 2007
Registriert seit: 09.02.2003
Ort: Eggenfelden
Fahrzeug: 750iL Bj 04.91 +T+SH
|
Hi principe_di_sa
Auxiliary water pump relay ist die Zusatz Wasserpumpe und die Frontscheibenheizung wird auch mit der Zündung eingeschaltet.
Zusätzlich hängt noch Relais für den ZL., Rel. ABS, Rel. Heckscheiben-Heizung, Niveau-Regelung, Rel. Sitzverstellung links, und Innenspiegel.
Also eine Menge, söllten alle diese gehen, ist wohl die Leitung vom Drehschalter zu den Wasserventilen unterbrochen. Auch muss man bedenken, dass einiges bei den BJ. geändert wurde.
Die Steuereinheit Taktet die Ventile, damit wird ein Stufenloser Wasser durchlauf erziehlt, schaltet man den Strom ab, wird ständig geheizt, Ist dauer Spannung an den Ventilen, wird die Heizung abgeschaltet. Die 12V sind immer anliegend, die Masse wird getaktet.
Gruß Reinhard
|
|
|
09.07.2005, 13:34
|
#28
|
|
Erfahrenes Mitglied
Registriert seit: 31.12.2004
Ort: Zürich
Fahrzeug: Züri-Tram
|
Sicherungen/Sicherungskasten
Also Sicherung 29 ist ok, habe gemessen. Auch funktionieren alle
elektrischen Helferchen an der Sicherung 29.
Kann man eigentlich den Sicherungskastern ausbauen, oder wie
sonst soll ich ein Kabel(+) von dieser Sicherung an die Heizungsventile
legen.
Neben dem Ueberbrückungspol in im Motorraum ist noch ein
dreipoliges Kabel. Zu welchem Zweck dient dies.
Im Uebrigen liegt auch kein Strom (Zündung ein) auf den
Kabeln zur Zusatzwasserpumpe.
Hat jemand eine Bebilderteanleitung, wie man den Sicherungskasten
ausbaut, und ein Kabel davon an die Ventile legt?
|
|
|
09.07.2005, 13:51
|
#29
|
|
† August 2007
Registriert seit: 09.02.2003
Ort: Eggenfelden
Fahrzeug: 750iL Bj 04.91 +T+SH
|
Hi principe_di_sa
Wenn du diesen Plan verfolgst, siehst du das GRN/BLU/YEL- Kabel, zapf dort einfach an. Hast du schon getestet ob es Funktioniert, wenn du ein Kabel nur an die Stellen hälst?
Sicher kann auch mal ein Relais kaputt gehen, da brauchst zum Test ein anderes nehmen mit den gleichen Anschlüssen, achte aber auf die Zahlen bei den Pins.
Wenn du das Relais aussteckst und dafür Pin 30 und 87 brückst, sollte die Pumpe dauern laufen, aber messe auch ob dort Spannung anliegt und ob sie sich verändert wenn die Brücke drin ist, kannst auch das Messgerät auf Ampere Stellen dann siehst du ob der Verbraucher (Pumpe) funktioniert.
Gruß Reinhard
|
|
|
11.07.2005, 08:43
|
#30
|
|
Erfahrenes Mitglied
Registriert seit: 31.12.2004
Ort: Zürich
Fahrzeug: Züri-Tram
|
Farbe Relais
Welche Farbe hat dieses Relais? Gibt es hier im Forum eine Uebersicht der Relais mit Farben, habe die Suche bemüht, aber sind sehr verstreut, eine Zusammenfassung könnte helfen...
Habe die Uebersicht (vgl. unten) gefunden. Welches ist aber das
Relais für die Pumpe/Ventile. Oder sind diese nicht auf der
Fahrerseite hinten untergebracht?
Geändert von principe_di_sa (11.07.2005 um 11:20 Uhr).
|
|
|
|
Aktive Benutzer in diesem Thema: 1 (Registrierte Benutzer: 0, Gäste: 1)
|
|
|
Forumregeln
|
Es ist Ihnen nicht erlaubt, neue Themen zu verfassen.
Es ist Ihnen nicht erlaubt, auf Beiträge zu antworten.
Es ist Ihnen nicht erlaubt, Anhänge hochzuladen.
Es ist Ihnen nicht erlaubt, Ihre Beiträge zu bearbeiten.
HTML-Code ist aus.
|
|
|
|