


BMW 7er, Modell E23 |
 |
|
Varianten |
|
Detail-Infos |
|
Interaktiv |
|

- Anzeige -
|
 |

|
|
|

|
 |
23.09.2007, 14:53
|
#1
|
Rider on the Storm
Registriert seit: 28.02.2007
Ort: Ronneburg
Fahrzeug: E23 732iA 3.85/ E32 730i V8 9.92
|
Radiostecker aus dem E32 in den E23 einbauen?
Hallo,
mein Vorgänger wollte wohl Geld sparen und hat sich selbst einen Radioadapter gebastelt. Jedoch arbeitet dieser unabhängig von der Zündung, also wenn der Schlüssel gezogen ist geht das Radio immer noch und das schlimmst daran ist, dass es noch Strom verbraucht. Nun will ich den Radiostecker aus dem E32 einbauen, ist das kabeltechnisch überhaupt möglich? Mein Alter E32 hatte kein Soundsystem und mein jetziger E23 auch nicht. Hat jemand Schaltpläne vom E32 und vom E23, damit ich dann die Kabel wieder zusammen stecken kann über Lüsterklemmen?
MfG Baumerous
__________________
|
|
|
26.09.2007, 18:14
|
#2
|
Erfahrenes Mitglied
Registriert seit: 31.12.2005
Ort: hanau
Fahrzeug: E32iL Highline, E23iA G-Kat,E36iA Open Air, E36i Open Air Individual, E36iA Touring, E36 M.
|
radiostecker
hallo,
in meinem e23 ist serienmäßig das Bavaria C Business RDS verbaut und der BMW-ORGINAL-STECKER ist der selbe wie in meinem E32 mit sound system.
gruß
dirk
|
|
|
26.09.2007, 18:16
|
#3
|
Rider on the Storm
Registriert seit: 28.02.2007
Ort: Ronneburg
Fahrzeug: E23 732iA 3.85/ E32 730i V8 9.92
|
Hallo,
danke für die Info, jedoch habe ich ein Problem, die Kabelfarben sind verschieden. Die Ausgänge für die Boxen habe ich schon, jedoch noch nicht für den Strom.
MfG Baumerous
|
|
|
28.09.2007, 11:25
|
#4
|
Rider on the Storm
Registriert seit: 28.02.2007
Ort: Ronneburg
Fahrzeug: E23 732iA 3.85/ E32 730i V8 9.92
|
Hallo,
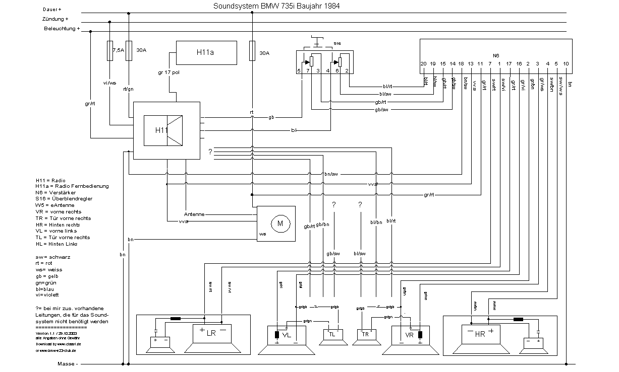
für den E23 habe ich schon die Kabelbelegung:
http://www.claasi.de/img/temp/sounds...5i_1986_01.gif
So etwas vergleichbares such ich auch für den E32.
MfG Baumerous
|
|
|
13.10.2007, 19:16
|
#5
|
Erfahrenes Mitglied
Registriert seit: 06.04.2005
Ort: Würzburg
Fahrzeug: 528i Bj. 99, VW T3, Yamaha YZF
|
Hi,
ich habe mir damals für den E23 bei Conrad ISO Stecker besorgt und direkt an die Kabel gemacht. Da paßt dann jedes Radio ohne Adapter!
Weil das so eine feine Sache ist, habe ich es bei meinem VW-Bus gleich wieder so gemacht
Bei deinem Problem mußt du doch nur den Dauerstrom der fälschlicherweise anliegt durch "Strom bei Zündung" ersetzten. Das ist nur ein einziger Draht...Aber aufpassen, der Speicher vom Radio braucht trotzdem Dauerplus, sonst sind deine Sender immer weg.
|
|
|
Aktive Benutzer in diesem Thema: 1 (Registrierte Benutzer: 0, Gäste: 1)
|
|
Forumregeln
|
Es ist Ihnen nicht erlaubt, neue Themen zu verfassen.
Es ist Ihnen nicht erlaubt, auf Beiträge zu antworten.
Es ist Ihnen nicht erlaubt, Anhänge hochzuladen.
Es ist Ihnen nicht erlaubt, Ihre Beiträge zu bearbeiten.
HTML-Code ist aus.
|
|
|
|